Self-Test D-1.7 Multi-Storey Wet Vents
Complete Self-Test D-1.7 and check your answers.
- Using Figure 2P-18, fill in Table 1 by identifying and sizing the multi-storey wet vent installation as per the NPC.

| Letter | Name | Hydraulic Load (FU) | Length | Size |
|---|---|---|---|---|
| A | ||||
| B | ||||
| C | ||||
| D | ||||
| E | ||||
| F | ||||
| G | ||||
| H |
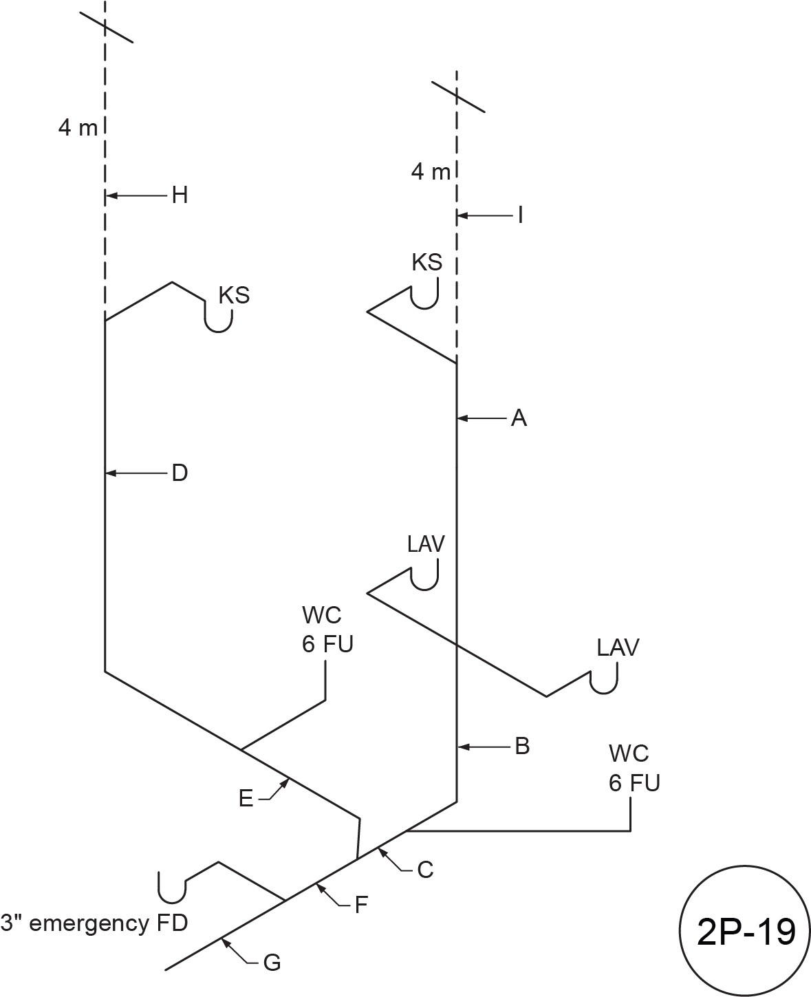
- Using Figure 2P-19, fill in Table 2 by identifying and sizing the multi-storey wet vent installation as per the NPC.

| Letter | Name | Hydraulic Load (FU) | Length | Size |
|---|---|---|---|---|
| A | ||||
| B | ||||
| C | ||||
| D | ||||
| E | ||||
| F | ||||
| G | ||||
| H | ||||
| I |
- Using Figure 2P-20, fill in Table 3 by identifying and sizing the multi-storey wet vent installation as per the NPC.

| Letter | Name | Hydraulic Load (FU) | Length | Size |
|---|---|---|---|---|
| A | ||||
| B | ||||
| C | ||||
| D |
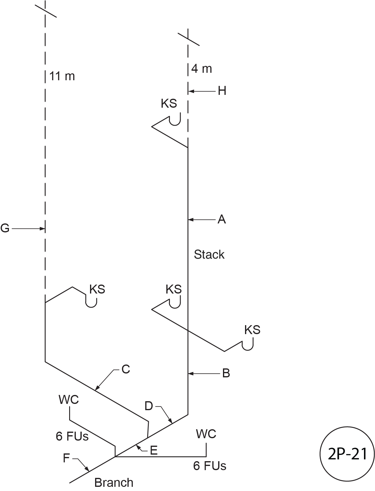
- Using Figure 2P-21, fill in Table 4 by identifying and sizing the multi-storey wet vent installation as per the NPC.

| Letter | Name | Hydraulic Load (FU) | Length | Size |
|---|---|---|---|---|
| A | ||||
| B | ||||
| C | ||||
| D | ||||
| E | ||||
| F | ||||
| G | ||||
| H |
- Using Figure 2P-22, fill in Table 5 by identifying and sizing the multi-storey wet vent installation as per the NPC.

| Letter | Name | Hydraulic Load (FU) | Length | Size |
|---|---|---|---|---|
| A | ||||
| B | ||||
| C | ||||
| D | ||||
| E | ||||
| F |
- Using Figure 2P-23, fill in Table 6 by identifying and sizing the multi-storey wet vent installation as per the NPC.

| Letter | Name | Hydraulic Load (FU) | Length | Size |
|---|---|---|---|---|
| A | ||||
| B | ||||
| C | ||||
| D | ||||
| E |
- Using Figure 2P-24, fill in Table 1 by identifying and sizing the multi-storey wet vent installation as per the NPC.

| Letter | Name | Hydraulic Load (FU) | Length | Size |
|---|---|---|---|---|
| A | ||||
| B | ||||
| C | ||||
| D | ||||
| E | ||||
| F | ||||
| G | ‘ |
- Using Figure 2P-25, fill in Table 8 by identifying and sizing the multi-storey wet vent installation as per the NPC.

| Letter | Name | Hydraulic Load (FU) | Length | Size |
|---|---|---|---|---|
| A | ||||
| B | ||||
| C | ||||
| D | ||||
| E | ||||
| F |
- Using Figure 2P-26, fill in Table 9 by identifying and sizing the multi-storey wet vent installation as per the NPC.

| Letter | Name | Hydraulic Load (FU) | Length | Size |
|---|---|---|---|---|
| A | ||||
| B | ||||
| C | ||||
| D | ||||
| E |
- Using Figure 2P-27, fill in Table 10 by identifying and sizing the multi-storey wet vent installation as per the NPC.

| Letter | Name | Hydraulic Load (FU) | Length | Size |
|---|---|---|---|---|
| A | ||||
| B | ||||
| C | ||||
| D |
Answer Key: Self-Test D-1.7 is on the next page.