Self-Test D-1.3 Functions of Different Pipes in a DWV System
Complete Self-Test D-1.3 and check your answers.
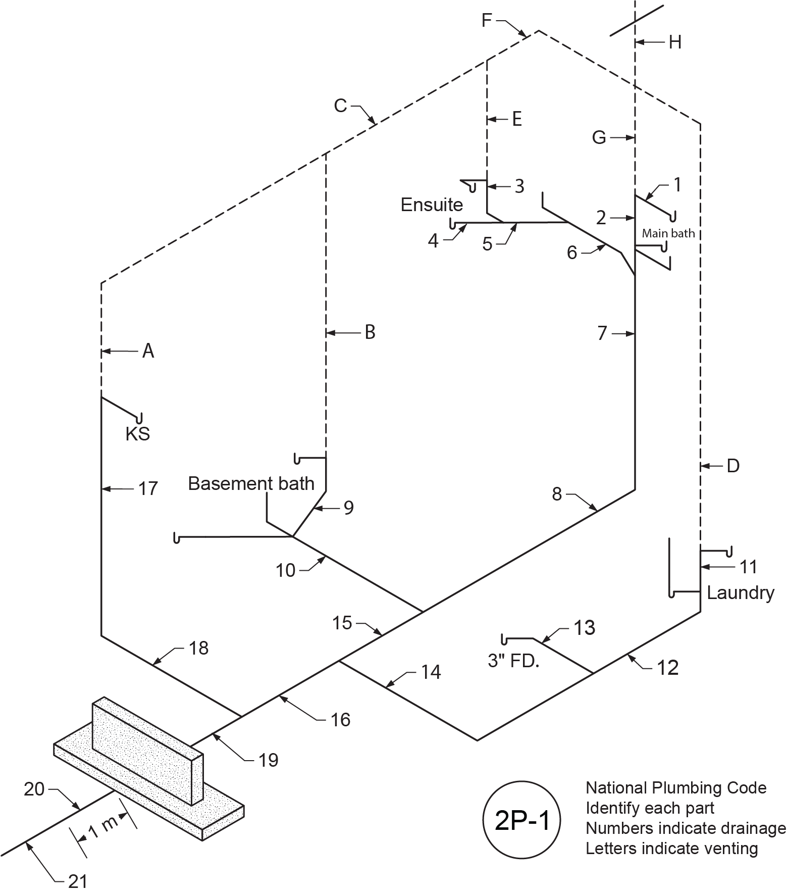
- Using Figure 2P-1, fill in Table 1 by identifying the drains indicated by the numbers and the vents indicated by the letters.
Figure 2P-1
Table 1
| Drains |
Name |
Vents |
Name |
| 1 |
|
A |
|
| 2 |
|
B |
|
| 3 |
|
C |
|
| 4 |
|
D |
|
| 5 |
|
E |
|
| 6 |
|
F |
|
| 7 |
|
G |
|
| 8 |
|
H |
|
| 9 |
|
|
|
| 10 |
|
|
|
| 11 |
|
|
|
| 12 |
|
|
|
| 13 |
|
|
|
| 14 |
|
|
|
| 15 |
|
|
|
| 16 |
|
|
|
| 17 |
|
|
|
| 18 |
|
|
|
| 19 |
|
|
|
| 20 |
|
|
|
| 21 |
|
|
|
- Using Figure 2P-2, fill in Table 2 by identifying the drains indicated by the numbers and the vents indicated.
Figure 2P-2
Table 2
| Drains |
Name |
Vents |
Name |
| 1 |
|
A |
|
| 2 |
|
B |
|
| 3 |
|
C |
|
| 4 |
|
D |
|
| 5 |
|
E |
|
| 6 |
|
F |
|
| 7 |
|
G |
|
| 8 |
|
H |
|
| 9 |
|
I |
|
| 10 |
|
J |
|
| 11 |
|
K |
|
| 12 |
|
L |
|
| 13 |
|
M |
|
| 14 |
|
N |
|
| 15 |
|
O |
|
| 16 |
|
P |
|
| 17 |
|
Q |
|
| 18 |
|
R |
|
| 19 |
|
S |
|
| 20 |
|
T |
|
| 21 |
|
U |
|
| 22 |
|
|
|
| 23 |
|
|
|
| 24 |
|
|
|
| 25 |
|
|
|
| 26 |
|
|
|
| 27 |
|
|
|
| 28 |
|
|
|
| 29 |
|
|
|
| 30 |
|
|
|
| 31 |
|
|
|
| 32 |
|
|
|
| 33 |
|
|
|
| 34 |
|
|
|
| 35 |
|
|
|
| 36 |
|
|
|
| 37 |
|
|
|
| 38 |
|
|
|
| 39 |
|
|
|
| 40 |
|
|
|
- Using Figure 2P-3, fill in Table 3 by identifying the drains indicated by the numbers and the vents indicated.
Figure 2P-3
Table 3
| Drains |
Name |
Vents |
Name |
| 1 |
|
A |
|
| 2 |
|
B |
|
| 3 |
|
C |
|
| 4 |
|
D |
|
| 5 |
|
E |
|
| 6 |
|
F |
|
| 7 |
|
G |
|
| 8 |
|
H |
|
| 9 |
|
I |
|
| 10 |
|
J |
|
| 11 |
|
K |
|
| 12 |
|
L |
|
| 13 |
|
M |
|
| 14 |
|
N |
|
| 15 |
|
O |
|
| 16 |
|
P |
|
| 17 |
|
Q |
|
| 18 |
|
R |
|
| 19 |
|
S |
|
| 20 |
|
T |
|
| 21 |
|
U |
|
| 22 |
|
V |
|
| 23 |
|
W |
|
| 24 |
|
X |
|
| 25 |
|
Y |
|
| 26 |
|
Z |
|
| 27 |
|
AA |
|
| 28 |
|
AB |
|
| 29 |
|
AC |
|
| 30 |
|
AD |
|
| 31 |
|
AE |
|
| 32 |
|
AF |
|
| 33 |
|
|
|
| 34 |
|
|
|
| 35 |
|
|
|
| 36 |
|
|
|
Answer Key: Self-Test D-1.3 is on the next page.